
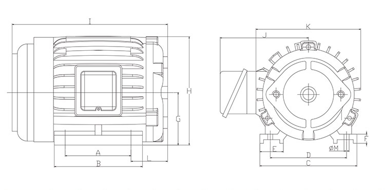
型号 | A | B | C | D | E | F | G | H | I | J | K | L | M |
1HP(0.75KW) | 100 | 132 | 160 | 125 | 38 | 12 | 80 | 170 | 250 | 132 | 175 | 55 | 10.5 |
2HP(1.5KW) | 124 | 149 | 172 | 140 | 38 | 12 | 91 | 195 | 280 | 142 | 205 | 58 | 10.5 |
3HP(2.2KW) | 140 | 175 | 200 | 160 | 42 | 18 | 100 | 215 | 315 | 155 | 220 | 65 | 12.5 |
5HP(3.75KW) | 140 | 180 | 227 | 190 | 52 | 19 | 112 | 235 | 340 | 192 | 235 | 73 | 12.5 |
7.5HP(5.6KW) | 140 | 175 | 260 | 216 | 56 | 19 | 132 | 270 | 355 | 195 | 270 | 76 | 12.5 |
10HP(7.5KW) | 178 | 213 | 260 | 216 | 56 | 19 | 132 | 270 | 385 | 195 | 270 | 76 | 12.5 |
15HP(11KW) | 210 | 265 | 320 | 254 | 67 | 19 | 160 | 320 | 505 | 282 | 315 | 117 | 16 |
20HP(15KW) | 254 | 315 | 320 | 254 | 67 | 19 | 160 | 320 | 545 | 282 | 315 | 117 | 16 |
30HP(22KW) | 279 | 300 | 356 | 279 | 85 | 24 | 180 | 370 | 547 | 303 | 354 | 135 | 16 |