咨询热线: 0576-89970011
浙江宏奥机电有限公司
产品展示
地址:浙江省温岭市大溪山市楼里工业区
电话:0576-89970011
传真:0576-89970027
邮箱:sals@zjhongao.cn
油压电机
当前位置:首页产品展示油压电机正文
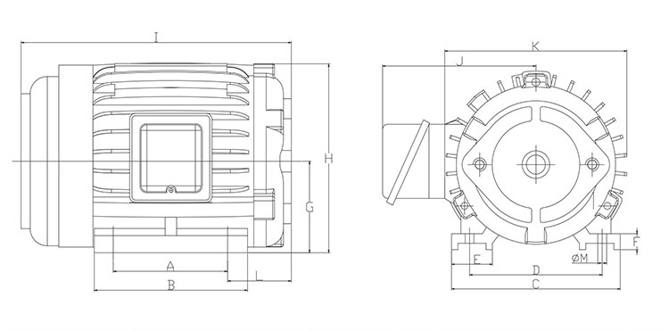
标准卧式马达

标准卧式马达草图.jpg

型号

A

B

C

D

E

F

G

H

I

J

K

L

M

1HP(0.75KW)

100

132

160

125

38

12

80

170

250

132

175

55

10.5

2HP(1.5KW)

124

149

172

140

38

12

91

195

280

142

205

58

10.5

3HP(2.2KW)

140

175

200

160

42

18

100

215

315

155

220

65

12.5

5HP(3.75KW)

140

180

227

190

52

19

112

235

340

192

235

73

12.5

7.5HP(5.6KW)

140

175

260

216

56

19

132

270

355

195

270

76

12.5

10HP(7.5KW)

178

213

260

216

56

19

132

270

385

195

270

76

12.5

15HP(11KW)

210

265

320

254

67

19

160

320

505

282

315

117

16

20HP(15KW)

254

315

320

254

67

19

160

320

545

282

315

117

16

30HP(22KW)

279

300

356

279

85

24

180

370

547

303

354

135

16

 

上一篇:没有了
下一篇:YTLLB100
咨询热线: 0576-89970011
浙江宏奥机电有限公司
  • 地址:浙江省温岭市大溪山市楼里工业区
  • 电话:0576-89970011
  • 传真:0576-89970027
  • 邮箱:sals@zjhongao.cn